Earth History Research Center

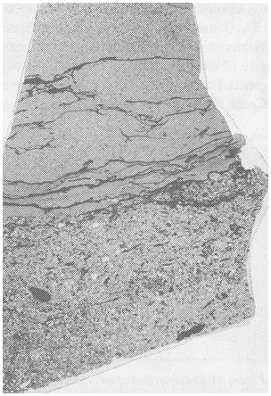
Figure 14. A microslide of a thin section from an organic level in the Cache Creek area. The wavy dark horizontal lines are cross. sections of deciduous leaves. Note the following features: a) clean ash or sand between the leaves; b) sudden change in grain size between the upper and lower halves of the organic level; and c) different types of organic debris in the fine and coarse sediments.